Changshu Herun Import & Export Co., Ltd.
Changshu Herun Import & Export Co., Ltd.
Tuotteet
Kalvo tiiviste laippayhteydellä
  • Kalvo tiiviste laippayhteydelläKalvo tiiviste laippayhteydellä
  • Kalvo tiiviste laippayhteydelläKalvo tiiviste laippayhteydellä

Kalvo tiiviste laippayhteydellä

CSHERUN Diaphragm seal with flange connection is high quality and durable.

Csherun Diaphragm Seal, jossa on laippayhteyden sovellukset, ovat yhtä varat:

● Aggressiivinen, erittäin viskoosinen, kiteyttäminen tai kuuma väliaine

● Prosessiteollisuus

● Pienet laippaprosessiyhteydet


Erityisominaisuudet

● Laippa sisäisillä, kaikki hitsatut kalvot

● Kompakti muotoilu



Tekniset tiedot


Prosessikiitos, laippa

Lisää laipat ja vaihtoehdot pyynnöstä


Materiaalikombinaatiot

1) Kalvotiivistejärjestelmän suurin sallittua prosessilämpötilaa rajoittaa liitosmenetelmä, järjestelmän täyttöneste ja mittauslaite.

Lisäaineistoyhdistelmät erityisprosessin lämpötiloihin pyynnöstä



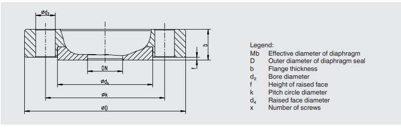
Mitat MM: ssä [in]
Laippayhteys linjassa DIN EN 1092-1, Muoto B1

Muut mitat ja korkeammat nimellispaineet pyynnöstä


Laippayhteys asme b 16,5, RF 125 ... 250 AA

Muut mitat ja korkeammat nimellispaineet pyynnöstä


Laippayhteys GOST 33259: n kanssa, tyyppi B

Muut mitat ja korkeammat nimellispaineet pyynnöstä


Laippayhteys JIS B 2220

Muut mitat ja korkeammat nimellispaineet pyynnöstä



Kalvo -sinetti:

Kalvojen tiivistemalli / prosessiyhteys (vakio, laipan koko, nimellinen paine, tiivistymispinta) / materiaalit (kalvojen tiivisteen ylävartalo, nostettu kasvot, kalvo) / kostutettujen osien puhtauden puhtauden taso / kostutettujen osien / version perinnä


Kalvon tiivistejärjestelmä:

Kalvojen tiivisteen malli / paineen mittausinstrumentti (tietolomake) / kiinnitys (suora kiinnitys, jäähdytyselementti, kapillaari) / materiaalit (kalvon tiivisteen ylävartalo, nostettu kasvojen insertti, kalvo) / min. ja max. Prosessin lämpötila / min. ja max. Ympäristön lämpötila / tyhjiöpalvelu / Järjestelmän täyttöneste / varmenteet / korkeusero / kostutettujen osien kostutettujen osien / version alkuperän puhtauden taso / kalvo-

Hot Tags: Kalvolaite laippayhteydellä, Kiina, valmistaja, toimittaja, tehdas, laatu, valmistettu Kiinassa
Lähetä kysely
Yhteystiedot
Jos sinulla on kysyttävää tarjouksesta tai yhteistyöstä, ole hyvä ja lähetä sähköpostia tai käytä seuraavaa kyselylomaketta. Myyntiedustajamme ottaa sinuun yhteyttä 24 tunnin sisällä.
X
Käytämme evästeitä tarjotaksemme sinulle paremman selauskokemuksen, analysoidaksemme sivuston liikennettä ja mukauttaaksemme sisältöä. Käyttämällä tätä sivustoa hyväksyt evästeiden käytön. Tietosuojakäytäntö
Hylätä Hyväksyä